ADI公司的LTC7818是一款高性能三路輸出(降壓/降壓/升壓)同步DC/DC開關穩(wěn)壓器控制器,可驅動全部N通道功率MOSFET級,可在4.5 V至40V的寬輸入電源電壓范圍內工作,其恒頻電流模式架構允許高達3 MHz的鎖相開關頻率.極低的空載靜態(tài)電流可延長電池供電系統(tǒng)的工作運行時間,通過OPTI-LOOP補償功能,可在寬輸出電容和ESR值范圍內優(yōu)化瞬態(tài)響應.LTC7818具有一個用于降壓的精確0.8V基準電壓源,一個用于升壓的1.2V基準電壓源,和一個電源正常輸出指示器.它還具有擴頻運行模式,可顯著降低輸入和輸出電源的峰值輻射和傳導噪聲,能夠輕松滿足電磁干擾(EMI)標準要求.主要應用在汽車和運輸,工業(yè)和軍事/航空電子.本文介紹了LTC7818主要特性,功能框圖和多種應用電路,以及演示板DC2855A主要特性和指標,電路圖,材料清單和PCB設計圖.
The LTC.7818 is a high performance triple output (buck/buck/boost) synchronous DC/DC switching regulator controllerthat drives all N-channel power MOSFET stages.
Its constant-frequency current mode architecture allowsa phase-lockable switching frequency of up to 3MHz.The LTC7818 operates from a wide 4.5V to 40V inputsupply range. When biased from the output of the boostconverter or another auxiliary supply, the LTC7818 canoperate from an input supply as low as 1V after start-up.
The LTC7818 synchronous boost PassThru capabilityminimizes losses in automotive start-stop applications.The very low no-load quiescent current extends operatingrun time in battery powered systems. OPTI-LOOP.Compensationallows the transient response to be optimizedover a wide range of output capacitance and ESR values.
The LTC7818 features a precision 0.8V reference for thebucks, 1.2V reference for the boost and a power goodoutput indicator.
The LTC7818 additionally features spread spectrum operationwhich significantly reduces the peak radiated andconducted noise on both the input and output supplies,making it easier to comply with electromagnetic interference(EMI) standard
LTC7818主要特性:
nDual Buck Plus Single Boost Synchronous Controllers
nLow Operating IQ:
n14μA (14V to 3.3V, Channel 1 On)
nOutputs Remain in Regulation Through Cold CrankDown to 1V Input Supply Voltage
nWide Bias Input Voltage Range: 4.5V to 40V
nBuck and Boost Output Voltages Up to 40V
nSpread Spectrum Operation
nRSENSE or DCR Current Sensing
nProgrammable Fixed Frequency (100kHz to 3MHz)
nPassThru™/100% Duty Cycle Capable forSynchronous Boost MOSFET
nPhase-Lockable Frequency (100kHz to 3MHz)
nSelectable Continuous, Pulse-Skipping, or LowRipple Burst Mode Operation at Light Loads
nBoost Channel Current Monitor Output
nLow Shutdown IQ: 1.5μA
nSmall 40-Lead 6mm × 6mm QFN Package
nAEC-Q100 Qualified for Automotive Applications
LTC7818應用:
nAutomotive and Transportation
nIndustrial
nMilitary/Avionics

圖1.LTC7818功能框圖

圖2. LTC7818典型應用電路圖(1)

圖3. LTC7818典型應用電路圖(2)

圖4. LTC7818典型應用電路圖(3)

圖5. LTC7818典型應用電路圖(4)

圖6. LTC7818典型應用電路圖(5)

圖7. LTC7818典型應用電路圖(6)
演示板DC2855A
Demonstration circuit DC2855A is a triple output synchronousstep-up/dual step-down supply featuring theLTC®7818. The demonstration circuit is designed for twobuck outputs 5V/10A, 3.3V/10A supplied by a boosted10V output. Benefiting from this feature, the buck outputsare able to maintain regulation over a wide input voltagerange of 4.5V to 36V which is suitable for automotive orother battery fed applications. Also, the demonstrationcircuit uses a drop-in layout whereas the main buck circuitcomponents fit in an area of .” by 1½”, while the mainboost circuit area is .” by 1.”. The package style for theLTC7818 is a 40-pin exposed pad QFN.
All registered trademarks and trademarks are the property of their respective owners.
演示板DC2855A主要特性:
The main features of the board include rail tracking (Buckchannels only), an internal 5V linear regulator for bias,separated RUN pins for each output, a PGOOD signal(CH1 only), an overvoltage indicator for CH3 and a Modeselector that allow the converter to run in CCM, Pulseskippingor Burst Mode operation. Spread SpectrumMode is availiable for EMI improvement. Synchronizationto an external clock is also possible. The LTC7818 datasheetgives a complete description of these parts, operationand application information. The datasheet must beread in conjunction with this quick start guide for democircuit 2855A.
演示板DC2855A主要指標:


圖8.演示板DC2855A外形圖

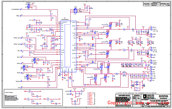
圖9.演示板DC2855A電路圖(1)

圖10.演示板DC2855A電路圖(2)
演示板DC2855A材料清單:



圖11.演示板DC2855A PCB設計圖(1)

圖12.演示板DC2855A PCB設計圖(2) |